¡¡¡¡¡¡¡¡¡¡¡¡¡¡¡¡¡¡¡¡¡¡ ¡¡¡¡¡¡¡¡¡¡¡¡¡¡CB(M)GϵÁÐÖи߉ºýX݆±Ã£¨ñRß_(d¨¢)£©
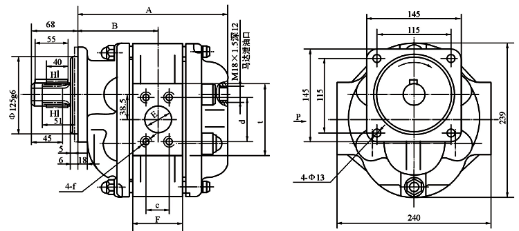
¡¡¡¡£¨1£©CBG3(CMG3)
°æ™à(qu¨¢n)ËùÓУºžoÖÝéL(zh¨£ng)½Òº‰º¼þ³ÉÌ×Éú®a(ch¨£n)ÓÐÏÞ¹«Ë¾ µØÖ·£ºžoÖÝÊнê–(y¨¢ng)…^(q¨±)Üç²ÝÎ÷·Èý…^(q¨±)28Ì–(h¨¤o) ¾W(w¨£ng)Ö·£ºwww.www.dellhong.com
ëŠÔ’£º0830-3580900 ‚÷Õæ£º0830-3586925 ÓÑô·þ„Õ(w¨´)ëŠÔ’£º0830-3589313
‚䰸̖(h¨¤o)£ºÊñICP‚ä10029769Ì–(h¨¤o)-2 ½y(t¨¯ng)Ò»Éç•þ(hu¨¬)ÐÅÓôú´a£º9151050275233023XD ¾W(w¨£ng)Õ¾½¨ÔO(sh¨¨)£ºžoÖݽð¾W(w¨£ng)